Images_Index/WTN_HeaderX.png

    Images_Learn/28_WC_2001_Tew3_NB_Power_Transmission_Tower_Maintenance.jpg
    WC 2001, Tew3: NBPower Transmission Tower Maintenance
    Images_Index/WTN_Icon_edited.png

    Education 2001 NVQ2 Engineering Maintenance Electrical

    I have included copies of my higher education notes on this website, that amount to ten years of my life approximately, for the following reasons. They prove that in a world of over population and hence competition, incomplete and out of date courses, the inablity to find out where the job vacancies are and then know how to apply for them, plus too much automation, education beyond the three R's is for most people a complete waste of time, money and effort. Only a technocracy, that is government by highly intelligent, qualified and trained technocrats, supported by artificial intelligence, can put this matter right, providing purpose, an identity, mental well being and hence loyalty to the state. Such a system can only come about through a technocracy. A world technocracy can lead to greater benefits, the obvious one being the directing of finance for war towards finance for scientific research.



  1. Education 2001 NVQ2 Engineering Maintenance Electrical


  2. Index

    Page No. Subject
    1 Job list for electrical maintenace
    and what's missing
    2 Documents required for ENR routes
    3 Job Planning & Resource Record No. 1
    E1 Connecting 240V plug
    7 Job Planning & Resource Record No. 2
    E2 Connecting 110V plug
    11 Job Planning & Resource Record No. 3
    E3 Connecting 410V plug
    15 Job Planning & Resource Record No. 4
    E4 One way light switch
    19 Job Planning & Resource Record No. 5
    E5 Two way light switch
    22 Job Planning & Resource Record No. 6
    E6 Intermediate light switch
    25 Job Planning & Resource Record No. 7
    E7 Ring main
    29 Job Planning & Resource Record No. 8
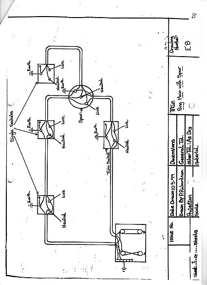
    E8 Final ring main with spur
    33 Job Planning & Resource Record No. 9
    E9 Lamps in series
    36 Job Planning & Resource Record No. 10
    E10 lamps in parallel
    39 Job Planning & Resource Record No. 11
    E11A Domestic Circuit No.1
    One way lighting circuit
    Final ring main circuit
    Two awy lighting circuit
    43 Job Planning & Resource Record No. 12
    E11B Domestic Circuit No.2
    Radial sockets
    Final ring main & spur
    Intermediate lighting
    47 Job Planning & Resource Record No. 13
    EM1 Stop-start control circuit using lamp indication
    Cables in slotted ducting
    52 Job Planning & Resource Record No. 14
    EM2 Three phase direct on line motor circuit
    58 Job Planning & Resource Record No. 15
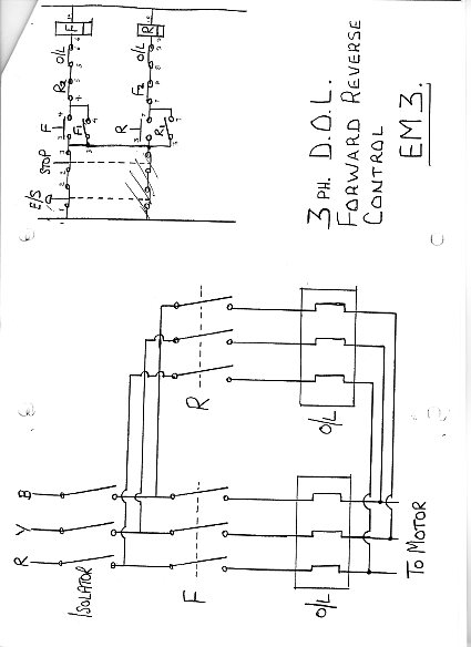
    EM3 Three phase direct on line motor circuit
    with forward and reverse control
    65 Job Planning & Resource Record No. 16
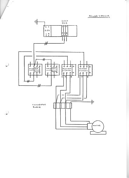
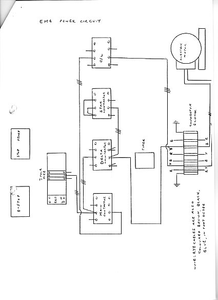
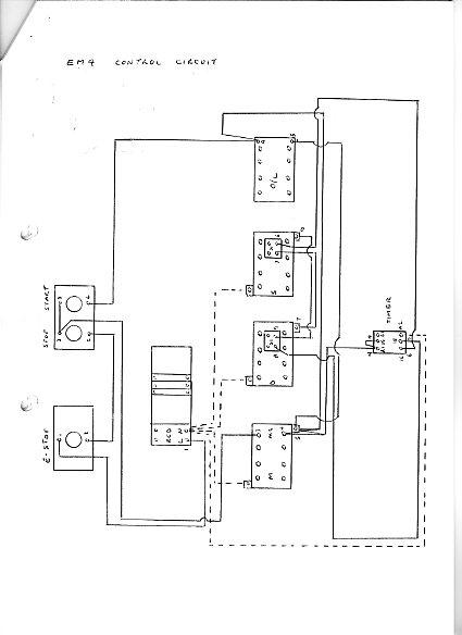
    EM4 Three phase star-delta starting
    of electric motor
    72 Job Planning & Resource Record No. 17
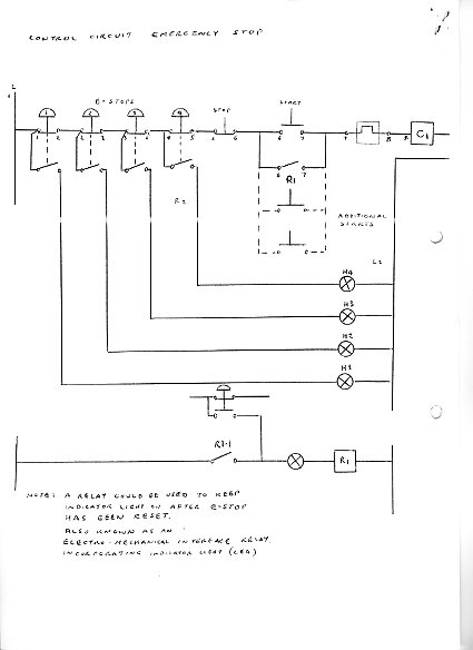
    EM 5 Emergency stops in series on 3 phase DOL
    motor circuit, as EM2 control circuit only
    75 Job Planning & Resource Record No. 18
    C1 create 90 degree bend in steel conduit
    77 Job Planning & Resource Record No. 19
    C2 create two 90 degree bends, S pattern
    in same conduit
    79 Job Planning & Resource Record No. 20
    C3 create two 45 degree bends, S pattern
    in same conduit
    81 Job Planning & Resource Record No. 21
    C4 create conduit construction as sketch
    83 Job Planning & Resource Record No. 22
    PM1 Change over stop start control boxes
    on machine tools, as sketch
    86 Job Planning & Resource Record No. 23
    PM2 Make off steel wire armoured cable
    89 Job Planning & Resource Record No. 24
    EM6 Phase indicator lights, see sketch
    93 Job Planning & Resource Record No. 25
    EM7 Time delayed indicator lights,
    see control & power circuit sketches


  3. Education 2001 Delta Works, Tysley, Birmingham
    NVQ2 Engineering Maintenance Electrical Notes



  4. Images_Ed_2001_Delta_NVQ2_Maintenance_Electrical/image001.jpg
    2001 Delta NVQ2 Maintenance Electrical Notes - Page 1


    Images_Ed_2001_Delta_NVQ2_Maintenance_Electrical/image003.jpg
    2001 Delta NVQ2 Maintenance Electrical Notes - Page 2


    Images_Ed_2001_Delta_NVQ2_Maintenance_Electrical/image005.jpg
    2001 Delta NVQ2 Maintenance Electrical Notes - Page 3


    Images_Ed_2001_Delta_NVQ2_Maintenance_Electrical/image007.jpg
    2001 Delta NVQ2 Maintenance Electrical Notes - Page 4


    Images_Ed_2001_Delta_NVQ2_Maintenance_Electrical/image009.jpg
    2001 Delta NVQ2 Maintenance Electrical Notes - Page 5


    Images_Ed_2001_Delta_NVQ2_Maintenance_Electrical/image011.jpg
    2001 Delta NVQ2 Maintenance Electrical Notes - Page 6


    Images_Ed_2001_Delta_NVQ2_Maintenance_Electrical/image013.jpg
    2001 Delta NVQ2 Maintenance Electrical Notes - Page 7


    Images_Ed_2001_Delta_NVQ2_Maintenance_Electrical/image015.jpg
    2001 Delta NVQ2 Maintenance Electrical Notes - Page 8


    Images_Learn/28_WC_2001_ILA-boy_Wind_turbine_maintenance_2008.jpg
    WC ILA-boy: Wind turbine maintenance 2008


    Images_Ed_2001_Delta_NVQ2_Maintenance_Electrical/image017.jpg
    2001 Delta NVQ2 Maintenance Electrical Notes - Page 9


    Images_Ed_2001_Delta_NVQ2_Maintenance_Electrical/image019.jpg
    2001 Delta NVQ2 Maintenance Electrical Notes - Page 10


    Images_Ed_2001_Delta_NVQ2_Maintenance_Electrical/image021.jpg
    2001 Delta NVQ2 Maintenance Electrical Notes - Page 11


    Images_Ed_2001_Delta_NVQ2_Maintenance_Electrical/image023.jpg
    2001 Delta NVQ2 Maintenance Electrical Notes - Page 12


    Images_Ed_2001_Delta_NVQ2_Maintenance_Electrical/image025.jpg
    2001 Delta NVQ2 Maintenance Electrical Notes - Page 13


    Images_Ed_2001_Delta_NVQ2_Maintenance_Electrical/image027.jpg
    2001 Delta NVQ2 Maintenance Electrical Notes - Page 14


    Images_Ed_2001_Delta_NVQ2_Maintenance_Electrical/image029.jpg
    2001 Delta NVQ2 Maintenance Electrical Notes - Page 15


    Images_Ed_2001_Delta_NVQ2_Maintenance_Electrical/image031.jpg
    2001 Delta NVQ2 Maintenance Electrical Notes - Page 16


    Images_Ed_2001_Delta_NVQ2_Maintenance_Electrical/image033.jpg
    2001 Delta NVQ2 Maintenance Electrical Notes - Page 17


    Images_Ed_2001_Delta_NVQ2_Maintenance_Electrical/image035.jpg
    2001 Delta NVQ2 Maintenance Electrical Notes - Page 18


    Images_Ed_2001_Delta_NVQ2_Maintenance_Electrical/image037.jpg
    2001 Delta NVQ2 Maintenance Electrical Notes - Page 19


    Images_Ed_2001_Delta_NVQ2_Maintenance_Electrical/image039.jpg
    2001 Delta NVQ2 Maintenance Electrical Notes - Page 20


    Images_Ed_2001_Delta_NVQ2_Maintenance_Electrical/image041.jpg
    2001 Delta NVQ2 Maintenance Electrical Notes - Page 21


    Images_Ed_2001_Delta_NVQ2_Maintenance_Electrical/image043.jpg
    2001 Delta NVQ2 Maintenance Electrical Notes - Page 22


    Images_Ed_2001_Delta_NVQ2_Maintenance_Electrical/image045.jpg
    2001 Delta NVQ2 Maintenance Electrical Notes - Page 23


    Images_Ed_2001_Delta_NVQ2_Maintenance_Electrical/image047.jpg
    2001 Delta NVQ2 Maintenance Electrical Notes - Page 24


    Images_Ed_2001_Delta_NVQ2_Maintenance_Electrical/image049.jpg
    2001 Delta NVQ2 Maintenance Electrical Notes - Page 25


    Images_Ed_2001_Delta_NVQ2_Maintenance_Electrical/image051.jpg
    2001 Delta NVQ2 Maintenance Electrical Notes - Page 26


    Images_Ed_2001_Delta_NVQ2_Maintenance_Electrical/image053.jpg
    2001 Delta NVQ2 Maintenance Electrical Notes - Page 27

    Images Learn/28_WC_1996_Mixabest_MITSUBISHI_IO_module.jpg
    WC 1996 Mixabest: MITSUBISHI IO module

    Images_Ed_2001_Delta_NVQ2_Maintenance_Electrical/image055.jpg
    2001 Delta NVQ2 Maintenance Electrical Notes - Page 28


    Images_Ed_2001_Delta_NVQ2_Maintenance_Electrical/image057.jpg
    2001 Delta NVQ2 Maintenance Electrical Notes - Page 29


    Images_Ed_2001_Delta_NVQ2_Maintenance_Electrical/image059.jpg
    2001 Delta NVQ2 Maintenance Electrical Notes - Page 30


    Images_Ed_2001_Delta_NVQ2_Maintenance_Electrical/image061.jpg
    2001 Delta NVQ2 Maintenance Electrical Notes - Page 31


    Images_Ed_2001_Delta_NVQ2_Maintenance_Electrical/image063.jpg
    2001 Delta NVQ2 Maintenance Electrical Notes - Page 32


    Images_Ed_2001_Delta_NVQ2_Maintenance_Electrical/image065.jpg
    2001 Delta NVQ2 Maintenance Electrical Notes - Page 33


    Images_Ed_2001_Delta_NVQ2_Maintenance_Electrical/image067.jpg
    2001 Delta NVQ2 Maintenance Electrical Notes - Page 34


    Images_Ed_2001_Delta_NVQ2_Maintenance_Electrical/image069.jpg
    2001 Delta NVQ2 Maintenance Electrical Notes - Page 35


    Images_Ed_2001_Delta_NVQ2_Maintenance_Electrical/image071.jpg
    2001 Delta NVQ2 Maintenance Electrical Notes - Page 36


    Images_Ed_2001_Delta_NVQ2_Maintenance_Electrical/image073.jpg
    2001 Delta NVQ2 Maintenance Electrical Notes - Page 37


    Images_Ed_2001_Delta_NVQ2_Maintenance_Electrical/image075.jpg
    2001 Delta NVQ2 Maintenance Electrical Notes - Page 38


    Images_Ed_2001_Delta_NVQ2_Maintenance_Electrical/image077.jpg
    2001 Delta NVQ2 Maintenance Electrical Notes - Page 39


    Images_Ed_2001_Delta_NVQ2_Maintenance_Electrical/image079.jpg
    2001 Delta NVQ2 Maintenance Electrical Notes - Page 40


    Images_Ed_2001_Delta_NVQ2_Maintenance_Electrical/image081.jpg
    2001 Delta NVQ2 Maintenance Electrical Notes - Page 41


    Images_Ed_2001_Delta_NVQ2_Maintenance_Electrical/image083.jpg
    2001 Delta NVQ2 Maintenance Electrical Notes - Page 42


    Images_Ed_2001_Delta_NVQ2_Maintenance_Electrical/image085.jpg
    2001 Delta NVQ2 Maintenance Electrical Notes - Page 43


    Images_Ed_2001_Delta_NVQ2_Maintenance_Electrical/image087.jpg
    2001 Delta NVQ2 Maintenance Electrical Notes - Page 44


    Images_Ed_2001_Delta_NVQ2_Maintenance_Electrical/image089.jpg
    2001 Delta NVQ2 Maintenance Electrical Notes - Page 45


    Images_Ed_2001_Delta_NVQ2_Maintenance_Electrical/image091.jpg
    2001 Delta NVQ2 Maintenance Electrical Notes - Page 46


    Images_Ed_2001_Delta_NVQ2_Maintenance_Electrical/image093.jpg
    2001 Delta NVQ2 Maintenance Electrical Notes - Page 47


    Images_Ed_2001_Delta_NVQ2_Maintenance_Electrical/image095.jpg
    2001 Delta NVQ2 Maintenance Electrical Notes - Page 48


    Images_Ed_2001_Delta_NVQ2_Maintenance_Electrical/image097.jpg
    2001 Delta NVQ2 Maintenance Electrical Notes - Page 49


    Images_Ed_2001_Delta_NVQ2_Maintenance_Electrical/image099.jpg
    2001 Delta NVQ2 Maintenance Electrical Notes - Page 50


    Images_Ed_2001_Delta_NVQ2_Maintenance_Electrical/image101.jpg
    2001 Delta NVQ2 Maintenance Electrical Notes - Page 51


    Images_Ed_2001_Delta_NVQ2_Maintenance_Electrical/image103.jpg
    2001 Delta NVQ2 Maintenance Electrical Notes - Page 52


    Images_Ed_2001_Delta_NVQ2_Maintenance_Electrical/image105.jpg
    2001 Delta NVQ2 Maintenance Electrical Notes - Page 53


    Images_Ed_2001_Delta_NVQ2_Maintenance_Electrical/image107.jpg
    2001 Delta NVQ2 Maintenance Electrical Notes - Page 54


    Images_Ed_2001_Delta_NVQ2_Maintenance_Electrical/image109.jpg
    2001 Delta NVQ2 Maintenance Electrical Notes - Page 55


    Images_Ed_2001_Delta_NVQ2_Maintenance_Electrical/image111.jpg
    2001 Delta NVQ2 Maintenance Electrical Notes - Page 56


    Images_Ed_2001_Delta_NVQ2_Maintenance_Electrical/image113.jpg
    2001 Delta NVQ2 Maintenance Electrical Notes - Page 57


    Images_Ed_2001_Delta_NVQ2_Maintenance_Electrical/image115.jpg
    2001 Delta NVQ2 Maintenance Electrical Notes - Page 58


    Images_Ed_2001_Delta_NVQ2_Maintenance_Electrical/image117.jpg
    2001 Delta NVQ2 Maintenance Electrical Notes - Page 59


    Images_Ed_2001_Delta_NVQ2_Maintenance_Electrical/image119.jpg
    2001 Delta NVQ2 Maintenance Electrical Notes - Page 60


    Images_Ed_2001_Delta_NVQ2_Maintenance_Electrical/image121.jpg
    2001 Delta NVQ2 Maintenance Electrical Notes - Page 61


    Images_Ed_2001_Delta_NVQ2_Maintenance_Electrical/image123.jpg
    2001 Delta NVQ2 Maintenance Electrical Notes - Page 62


    Images_Ed_2001_Delta_NVQ2_Maintenance_Electrical/image125.jpg
    2001 Delta NVQ2 Maintenance Electrical Notes - Page 63


    Images_Ed_2001_Delta_NVQ2_Maintenance_Electrical/image127.jpg
    2001 Delta NVQ2 Maintenance Electrical Notes - Page 64


    Images_Ed_2001_Delta_NVQ2_Maintenance_Electrical/image129.jpg
    2001 Delta NVQ2 Maintenance Electrical Notes - Page 65


    Images_Ed_2001_Delta_NVQ2_Maintenance_Electrical/image131.jpg
    2001 Delta NVQ2 Maintenance Electrical Notes - Page 66


    Images_Ed_2001_Delta_NVQ2_Maintenance_Electrical/image133.jpg
    2001 Delta NVQ2 Maintenance Electrical Notes - Page 67


    Images_Ed_2001_Delta_NVQ2_Maintenance_Electrical/image135.jpg
    2001 Delta NVQ2 Maintenance Electrical Notes - Page 68


    Images_Ed_2001_Delta_NVQ2_Maintenance_Electrical/image137.jpg
    2001 Delta NVQ2 Maintenance Electrical Notes - Page 69


    Images_Ed_2001_Delta_NVQ2_Maintenance_Electrical/image139.jpg
    2001 Delta NVQ2 Maintenance Electrical Notes - Page 70


    Images_Ed_2001_Delta_NVQ2_Maintenance_Electrical/image141.jpg
    2001 Delta NVQ2 Maintenance Electrical Notes - Page 71


    Images_Ed_2001_Delta_NVQ2_Maintenance_Electrical/image143.jpg
    2001 Delta NVQ2 Maintenance Electrical Notes - Page 72


    Images_Ed_2001_Delta_NVQ2_Maintenance_Electrical/image145.jpg
    2001 Delta NVQ2 Maintenance Electrical Notes - Page 73


    Images_Ed_2001_Delta_NVQ2_Maintenance_Electrical/image147.jpg
    2001 Delta NVQ2 Maintenance Electrical Notes - Page 74


    Images_Ed_2001_Delta_NVQ2_Maintenance_Electrical/image149.jpg
    2001 Delta NVQ2 Maintenance Electrical Notes - Page 75


    Images_Ed_2001_Delta_NVQ2_Maintenance_Electrical/image151.jpg
    2001 Delta NVQ2 Maintenance Electrical Notes - Page 76


    Images_Ed_2001_Delta_NVQ2_Maintenance_Electrical/image153.jpg
    2001 Delta NVQ2 Maintenance Electrical Notes - Page 77


    Images_Ed_2001_Delta_NVQ2_Maintenance_Electrical/image155.jpg
    2001 Delta NVQ2 Maintenance Electrical Notes - Page 78


    Images_Ed_2001_Delta_NVQ2_Maintenance_Electrical/image157.jpg
    2001 Delta NVQ2 Maintenance Electrical Notes - Page 79

    Images Learn/28_WC_2001_PF_Nicholls_Open_Consumer_Unit.jpg
    WC 2001, Pfnicholls: Open Consumer Unit

    Images_Ed_2001_Delta_NVQ2_Maintenance_Electrical/image159.jpg
    2001 Delta NVQ2 Maintenance Electrical Notes - Page 80


    Images_Ed_2001_Delta_NVQ2_Maintenance_Electrical/image161.jpg
    2001 Delta NVQ2 Maintenance Electrical Notes - Page 81


    Images_Ed_2001_Delta_NVQ2_Maintenance_Electrical/image163.jpg
    2001 Delta NVQ2 Maintenance Electrical Notes - Page 82


    Images_Ed_2001_Delta_NVQ2_Maintenance_Electrical/image165.jpg
    2001 Delta NVQ2 Maintenance Electrical Notes - Page 83


    Images_Ed_2001_Delta_NVQ2_Maintenance_Electrical/image167.jpg
    2001 Delta NVQ2 Maintenance Electrical Notes - Page 84


    Images_Ed_2001_Delta_NVQ2_Maintenance_Electrical/image169.jpg
    2001 Delta NVQ2 Maintenance Electrical Notes - Page 85


    Images_Ed_2001_Delta_NVQ2_Maintenance_Electrical/image171.jpg
    2001 Delta NVQ2 Maintenance Electrical Notes - Page 86


    Images_Ed_2001_Delta_NVQ2_Maintenance_Electrical/image173.jpg
    2001 Delta NVQ2 Maintenance Electrical Notes - Page 87


    Images_Ed_2001_Delta_NVQ2_Maintenance_Electrical/image175.jpg
    2001 Delta NVQ2 Maintenance Electrical Notes - Page 88


    Images_Ed_2001_Delta_NVQ2_Maintenance_Electrical/image177.jpg
    2001 Delta NVQ2 Maintenance Electrical Notes - Page 89


    Images_Ed_2001_Delta_NVQ2_Maintenance_Electrical/image179.jpg
    2001 Delta NVQ2 Maintenance Electrical Notes - Page 90


    Images_Ed_2001_Delta_NVQ2_Maintenance_Electrical/image181.jpg
    2001 Delta NVQ2 Maintenance Electrical Notes - Page 91


    Images_Ed_2001_Delta_NVQ2_Maintenance_Electrical/image183.jpg
    2001 Delta NVQ2 Maintenance Electrical Notes - Page 92


    Images_Ed_2001_Delta_NVQ2_Maintenance_Electrical/image185.jpg
    2001 Delta NVQ2 Maintenance Electrical Notes - Page 93


    Images_Ed_2001_Delta_NVQ2_Maintenance_Electrical/image187.jpg
    2001 Delta NVQ2 Maintenance Electrical Notes - Page 94


    Images_Ed_2001_Delta_NVQ2_Maintenance_Electrical/image189.jpg
    2001 Delta NVQ2 Maintenance Electrical Notes - Page 95


    Images_Ed_2001_Delta_NVQ2_Maintenance_Electrical/image191.jpg
    2001 Delta NVQ2 Maintenance Electrical Notes - Page 96


    Images_Learn/28_WC_1996_Julian_Herzog_CERN_LHC_Tunnel_Cable_conduit.jpg
    WC 1996 Julian Herzog: CERN LHC Tunnel Cable Conduit